Samenvatting ‘Potentie voor de recycling van aluminium verpakkingen eind 2020’
Studie in opdracht van de RAVN uitgevoerd door E.U. Thoden van Velzen en I.W. Smeding, Wageningen Food & Biobased Research, rapport 2060, juni 2020.
Opdracht
De RAVN (Recycling Aluminium Verpakkingen Nederland) spant zich in om in Nederland de recycling van aluminium verpakkingen en aanverwante artikelen te optimaliseren. De RAVN heeft Wageningen Food & Biobased Research (WUR) gevraagd naar een wetenschappelijke studie om een beeld te schetsen hoe deze recycling er eind 2020 uit zou kunnen zien wanneer betrokkenen bij de inzameling, sortering en recycling gebruik maken van de beste technologieën die momenteel beschikbaar zijn en worden toegepast. Hierbij moet worden uitgegaan van de nieuwste rekenregels van de Europese Unie voor het berekenen van recyclingpercentages. Daarnaast omvat de opdracht het berekenen van het effect dat de invoering van statiegeld op blikjes heeft op de recycling.
Aanpak
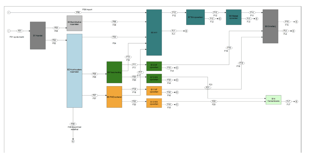
In een materiaalstroommodel zijn alle relevante inzamel- en recyclingketens beschreven van aluminiumverpakkingen en verwante consumentenartikelen (zoals bijvoorbeeld aluminium huishoudfolie) in Nederland. Van elke deelstap zijn zoveel mogelijk openbare gegevens verzameld. Voor ontbrekende gegevens zijn beargumenteerde veronderstellingen gedaan.
De recyclingketens van aluminium die worden beschouwd zijn:
• Bodemas-route: terugwinning van aluminium uit bodemas van AVI’s (afvalverbrandingsinstallaties) waar restafval wordt verbrand,
• PMD-route: gescheiden inzameling samen met kunststof en drankenkartons,
• Nascheiding-route: terugwinning van metalen uit restafvalstromen,
• Alle alternatieve inzamelroutes waarvan betrouwbare gegevens kunnen worden verzameld en die wezenlijk relevant zijn of kunnen gaan worden (metaalhandel, klein chemisch afval, veegafval van de gemeenten (zwerfafval), statiegeld)
De bodemas-route:
Betrokkenen bij afvalverbrandingsinstallaties en leveranciers van ECS (Eddy Current Sorting)-systemen geven aan dat de belangrijkste verliezen in de inzamel- en recyclingketen van aluminium optreden bij het verbranden in de AVI’s (oxidatieverlies) en bij de terugwinning uit de bodemassen (verlies aan niet-terugwinbaar fijn metallisch aluminium). Deze verliezen zijn ook uitvoerig beschreven in de zowel nationale als internationale wetenschappelijke literatuur. De oxidatieverliezen zijn aanzienlijk bij relatief dun aluminium (tot 50%) en beperkter bij dikkere objecten (ca 10%). In Nederland wordt zeer geavanceerde bodemastechnologie toegepast en zijn de terugwinverliezen met circa 15% relatief gering.
Deze niet te vermijden oxidatie- en terugwinverliezen maken dat de bodemas-route voor de recycling niet optimaal is. Deze route blijft echter van belang voor de terugwinning van aluminiumproducten die bij de PMD- en nascheidingsroute niet worden uitgesorteerd en in de restfractie belanden. Deze restfractie gaat namelijk veelal naar de AVI.
De PMD-route
De effectiviteit van het uitsorteren van aluminium verpakkingen in de PMD-sorteerinstallatie is sterk technologisch bepaald. Als de sorteerinstallatie is voorzien van ECS op alle deelstromen die aluminium componenten bevatten is de sorteringsefficiëntie het hoogst. Ook in Nederland is zo’n PMD-sorteerinstallatie operationeel. Er zijn echter ook PMD-sorteerinstallaties in gebruik waar op de deelstroom met de kleinere onderdelen, ‘fines’, geen ECS plaatsvind. Deze sorteerinstallaties voeren de fines af naar de AVI en onttrekken hiermee de aluminium componenten in deze fines aan een optimale recycling.
De nascheiding-route
Ook bij nascheiding is de effectiviteit van de sortering sterk technologisch bepaald. De efficiëntste nascheidingsinstallaties voor de recycling van aluminium verpakkingen passen ECS toe op alle deelstromen die aluminium bevatten. Er zijn echter ook installaties die geen ECS toepassen op de zogenaamde ONF (Organisch Natte Fractie, vergelijkbaar met fines bij PMD) en deze stroom afvoeren naar een AVI. Bij deze nascheidingsinstallaties worden hierdoor de kleinere aluminium componenten in de ONF aan een optimale recycling onttrokken.
Alternatieve inzamelroutes exclusief statiegeld op blikjes
Ten aanzien van de alternatieve inzamelroutes volgde uit een verkenning van informatie hierover dat de aluminium items in deze stromen veelal belanden in de AVI. Daarom zijn zij mee genomen in de bodemas-route.
Statiegeld op blikjes:
Om het effect van invoering van statiegeld op blikjes te kunnen bepalen is het materiaalstroommodel op een aantal plaatsen aangepast. Tevens zijn van twee grootheden schattingen gemaakt: de dekkingsgraad en het retourpercentage. Met de dekkingsgraad wordt de breedte bedoeld van de statiegeldplicht. Dit is 100% als dit voor alle soorten blikjes zou gelden. Waarschijnlijker is het dat er voor bepaalde dranken uitzonderingen worden gemaakt. De dekkingsgraad is de uitkomst van een politieke keuze en nu onbekend. Daarom zijn berekeningen met dekkingsgraden van 80%, 90% en 100% uitgevoerd.
De tweede belangrijke parameter is het retourpercentage. Ook dit is onbekend, vandaar dat met 3 retourpercentages is gerekend nl. 85%, 90% en 95%.
Dit retourpercentage heeft zowel betrekking op de blikjes die geconsumeerd en afgedankt worden bij de huishoudens als bij bedrijven.
Verwerking aluminium vanuit de PMD- en nascheiding-route
Bij zowel de PMD-route als de nascheiding-route belanden bij de sortering, afhankelijk van de toegepaste technologie, de aluminiumverpakkingen in de deelstroom non-ferro. Daarnaast bevat de deelstroom mengkunststoffen ook een geringe hoeveelheid aluminium.
Als best beschikbare technologie voor het verwerken van mengkunststof wordt niet voor mechanisch recyclen gekozen, waarbij de aanwezige aluminium artikelen via het zinkgoed naar de cementovens gaan, maar voor pyrolyse. Dit laatste vindt nu plaats bij Renasci in Oostende (België). Bij verbranding in cementovens is er weliswaar sprake is van een nuttige toepassing maar wordt het aluminium aan de recycling onttrokken, terwijl bij pyrolyse het aluminium als metaal wordt teruggewonnen en wordt gerecycled.
Pyrolyse
Voor de verdere verwerking van aluminium in de non-ferro fractie wordt deze fractie veelal conventioneel geshredderd en verder uitgesorteerd. Een veelbelovende technologie die ook al wordt toegepast is pyrolyse, waar het aluminium nagenoeg zonder verlies en zonder oxidatie wordt teruggewonnen.
Materiaalstroommodel
Met het materiaalstroommodel is berekend hoeveel aluminium er in Nederland in 2020 gerecycled zou kunnen worden in het geval dat alle betrokkenen de meest optimale technologieën zouden implementeren. Daarnaast is de invloed van de invoering van statiegeld op blikjes doorgerekend onder diverse aannames van dekkingsgraad en retourpercentages.
Conclusie:
Een recyclingpercentage van 83% à 85% voor aluminiumverpakkingen in Nederland is haalbaar in 2020 als alle betrokkenen de meest optimale technologieën, die momenteel al beschikbaar zijn en in Nederland worden toegepast, implementeren. In het geval er een statiegeldsysteem voor drankbussen wordt ingevoerd kan dit recyclingpercentage verder stijgen naar 88% à 92%. Deze recyclingpercentages zijn uitgerekend conform de nieuwe Europese rekenregels.
Potentie: circa 84% en met statiegeld 88-92 % aluminium recycling
Cirkeldiagrammen over de relatieve bijdrage van de verschillende routes aan de terugwinning van aluminium. Links het systeem zoals dat eind 2020 er zou kunnen zijn bij gebruikmaking van optimale technologie. Rechts met een statiegeldsysteem met dekkingsgraad van 90% en een retourpercentage van 95%.
Legenda
Blauw: via de bodemasroute
Oranje: via gescheiden inzameling PMD
Groen: via nascheiding
Geel: via statiegeld